Siyanürleme Ekipmanı Altın Geri Kazanımını ve Saha Güvenliğini Nasıl Artırır?

2026-01-08 - bana mesaj bırak

Siyanürlemenin "etkili ama stresli" olduğunu hissettiyseniz bunu hayal etmiyorsunuz demektir. Kimya işe yarıyor ancak günlük gerçeklik karmaşık olabilir: değişken cevher, reaktif fazla harcaması, karbon kayıpları, beklenmedik arıza süreleri ve güvenli ve tutarlı bir şekilde çalışmaya yönelik sürekli baskı. Bu makale neyi anlatıyor?Siyanürleme Ekipmanlarıaslında sizin için ne yapması gerektiği, satın almadan önce ne sormanız gerektiği ve en pahalı hatalardan nasıl kaçınacağınız.


Soyut

ModernSiyanürleme Ekipmanlarıyalnızca bir tank seti değildir; liç koşullarını kontrol etmek, geri kazanımı stabilize etmek, reaktif atıklarını azaltmak ve siyanür elleçlemesini öngörülebilir tutmak için tasarlanmış bağlantılı bir sistemdir. Alıcılar genellikle dört sorunla mücadele ediyor: tutarsız kurtarma, yüksek işletme maliyeti, zayıf güvenlik kontrolleri ve bakım sorunları. Aşağıda, siyanürleme modüllerinin (liç, adsorpsiyon, desorpsiyon/elektro-kazanım, detoks ve enstrümantasyon) fabrika bazında pratik bir görünümünü, bir seçim matrisini, devreye alma ipuçlarını ve tedarikçi görüşmeleri sırasında kullanabileceğiniz bir SSS bölümünü bulacaksınız.


İçindekiler


Bir Bakışta Anahat

  • "Siyanürlemeye ihtiyacım var" ifadesini eksiksiz, kontrol edilebilir bir ekipman kapsamına dönüştürün.
  • Kayıplarınıza hangi modülün neden olduğunu belirleyin (geri kazanım, reaktif, karbon veya arıza süresi).
  • Cevher türünüz ve sınırlamalarınız için çözümleri karşılaştırmak için basit bir matris kullanın.
  • Zayıf tasarımları hızla ortaya çıkaran bir kontrol listesiyle tedarikçi toplantılarına girin.

Gerçek Alıcının Sorun Noktaları

İnsanlar alışveriş yaptığındaSiyanürleme Ekipmanları, sıklıkla "Daha yüksek iyileşmeye ihtiyacım var" derler. Genelde kastettikleri şu: "Cevher değiştiğinde, operatörler değiştiğinde ve saha uzak olduğunda bile yüksek kalacak bir geri kazanıma ihtiyacım var." İşte tekrar tekrar ortaya çıkan acı noktaları:

  • Kurtarma dalgalanmalarıcevher değişkenliği, öğütme sorunları, oksijen sınırlamaları veya zayıf pH kontrolünden kaynaklanır.
  • Reaktif maliyet artışıaşırı dozda siyanür veya kireç kullanmaktan "güvende olmak için."
  • Karbon sorunlarıkirlenme, yıpranma kaybı veya zayıf adsorpsiyon kinetiği gibi.
  • Arıza süresipompa/valf arızalarından, aşındırıcı çamur aşınmasından veya erişilmesi zor yerleşimlerden.
  • Güvenlik stresiSiyanürün depolanması, dozajı ve acil müdahale hazırlığı ile ilgili.

İyi ekipman tasarımı tüm karmaşıklığı ortadan kaldırmaz ancak tahminleri ortadan kaldırmalıdır.


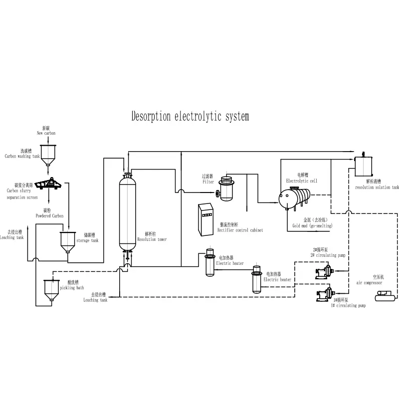
“Siyanürleme Ekipmanı” Neleri İçerir?

Cyaniding Equipment

En azından,Siyanürleme Ekipmanlarışu işlevleri destekleyen bir sistem olarak anlaşılmalıdır:

  • Liç: Çözünme için zaman, karıştırma ve kimya kontrolü sağlar.
  • Altın yakalama: aktif karbon (CIP/CIL) veya çökeltme yollarına adsorpsiyon.
  • Altın kurtarma: desorpsiyon ve elektro-kazanım (veya alternatif geri kazanım devreleri).
  • Detoks ve atık işleme: Artık siyanürün kabul edilebilir seviyelere düşürülmesi.
  • Enstrümantasyon ve kontrol: pH'ı, çözünmüş oksijeni, akışı ve dozajı ölçün ve stabilize edin.

Bir tedarikçi yalnızca "tanklardan" bahsediyorsa, tüm akışı ve kontrol noktalarını tanımlamaları için onları zorlayın. Siyanürleme laboratuvar koşullarında affedicidir; kaotik saha koşullarında affedici değildir.


Cevherden Doré'ye Net Bir Süreç Haritası

Her tesis farklılık gösterse de çoğu siyanürleme rotası tanınabilir bir omurgayı takip eder. Önerilen bir paketin eksiksiz olup olmadığını kontrol etmek için bu haritayı kullanın:

Sahne Neyi başarması gerekiyor Tipik “Gizli” Risk
Ön tedavi (gerektiğinde) Altını erişilebilir hale getirin ve siyanür tüketiminde ani artışları önleyin Önceden soymayı, yüksek bakırı veya reaktif sülfürleri göz ardı etmek
Liç Kararlı karıştırma, kontrollü pH ve yeterli oksijen Ölü bölgeler, zayıf oksijen transferi, zayıf kireç sisteminden kaynaklanan dengesiz pH
Adsorpsiyon (CIL/CIP) Çözünmüş altını verimli bir şekilde yakalayın Yanlış karbon boyutu/transfer yöntemi; karbon kayıpları
Elüsyon / Desorpsiyon Altını karbondan güvenilir bir şekilde çıkarın Tutarsız ısıtma/akış, düşük sıyırma verimliliğine yol açar
Elektrolitik Kazanma / Eritme Doré'yi kurtarın ve üretin Küçük boyutlu hücreler, zayıf elektrolit yönetimi, çamur işleme sorunları
Detoks Deşarj/atık öncesinde kalan siyanürü azaltın Tasarım, üretim değişkenliği veya atık kimyasıyla eşleşmiyor

Temel Modüller ve Kontrol Edilmesi Gerekenler

1) Liç tankları ve çalkalama

  • Karıştırma tasarımı çamur yoğunluğunuza ve aşındırıcılığınıza uygun mu?
  • Sistem cevher değişkenliği altında stabil pH değerini koruyabilir mi?
  • Tesisinizde oksijen ilavesi pratik mi (ve tasarımda oksijen transferi dikkate alınıyor mu)?
  • Yerleşim düzeni pervanelerin, gömleklerin ve yatakların kolayca incelenmesine olanak tanıyor mu?

2) Karbon adsorpsiyonu ve transferi

  • Aşamalar arası elekler karbon taşınmasını önleyecek kadar sağlam mı?
  • Karbon transferi kırılmayı ve kaybı azaltacak şekilde mi tasarlandı?
  • Tasarım temizliğe ve karbon envanter kontrolüne uygun mu?

3) Desorpsiyon ve elektrokazanım

  • Elüsyon devresi karbon yükleme beklentilerinize uyuyor mu?
  • Isıtma ve akış kontrolleri stabil mi (“operatöre bağlı” değil)?
  • Çamur elleçleme doğaçlama değil de planlı mı?

4) Siyanür dozajı ve ölçümü

  • Dozajlama kilitlemelerle otomatik mi yapılıyor, yoksa tamamen manuel mi?
  • Gerçek bir maden ortamında kalibrasyon ve sensör bakımına yönelik plan nedir?
  • Numune alma noktaları güvenli ve iyi konumlandırılmış mı, yoksa sonradan akla gelen bir düşünce mi?

5) Detoks

  • Detoks tasarımı deşarj hedeflerinize ve atık kimyanıza göre mi yapılıyor?
  • Kısa vadeli ani artışları kapatmaya zorlamadan başa çıkabilir mi?

Pratik ipucu:Kağıt üzerinde daha ucuz görünen bir teklif çoğu zaman operasyonlara maliyet getirir; ekstra siyanür, ekstra kireç, ekstra bakım işçiliği ve daha "kahramanca" operatör davranışı. Fatura daha sonra geliyor.


Boyutlandırma ve Spesifikasyon Temelleri

Bütçenizi koruyan boyutlandırma sorularını sormak için metalurji uzmanı olmanıza gerek yok. İçinSiyanürleme Ekipmanlarıçekirdek boyutlandırma mantığı verim, kalış süresi ve kütle aktarımı etrafında döner. Herhangi bir nihai tasarımı kabul etmeden önce bu girdilerin açıkça belirtildiğinden emin olun:

  • Tasarım verimi(ortalama ve zirve artı beklenen mevsimsel değişkenlik).
  • Hedef öğütme boyutuve değirmen daha kaba sürüklenirse ne olur?
  • Sızıntı kalma süresive testlere mi yoksa varsayımlara mı dayandığı.
  • pH ve alkalinite planı(kireç hazırlama ve dozaj stabilitesi dahil).
  • Oksijen stratejisi(hava, oksijen veya hiçbiri) ve kinetik üzerinde beklenen etki.
  • Karbon envanteri(ne kadar karbon, nerede bulunuyor ve nasıl izleniyor).

Tedarikçi bunları sade bir dille açıklayamıyorsa bunu teknik bir ayrıntı olarak değil, bir risk sinyali olarak değerlendirin.


Gerçekte Dayanan Güvenlik ve Siyanür Kontrolü

Güvenlik duvardaki bir poster değildir. Siyanürleme fiziksel tasarımın ve rutin kontrolün ayrılmaz bir parçasıdır. GüçlüSiyanürleme Ekipmanlarıpaketler genellikle şunları içerir:

  • Kapsamlı depolama ve aktarımaçık dökülme yolları ve gruplama mantığı ile.
  • Kilitli dozajdolayısıyla temel koşullar karşılanmadığında siyanür eklenemez.
  • Net örnekleme tasarımıBu, rutin kontroller sırasında maruz kalma riskini azaltır.
  • Acil duruma hazırlıkbir eklenti belgesi değil, işletim prosedürü setinin bir parçası olarak.

Alıcının bakış açısına göre işiniz basit: teklifin, insanların sistemle nasıl etkileşime girdiğini tam olarak göstermesini sağlamak. Nerede duruyorlar? Neye dokunuyorlar? Ekipmanı nasıl izole ediyorlar? Gece saat 2'de pompa contası arızasına nasıl tepki verecekler?


İşletme Maliyetlerinin Gerçekte Nereden Geldiği

Ons başına maliyetiniz yukarı doğru gidiyorsa, bu genellikle dramatik bir başarısızlık değildir; bu durumu birleştiren sistemdeki küçük sızıntılardır. Siyanürlemede en yaygın maliyet etkenleri şunlardır:

  • Siyanür tüketimireaktif mineraller, aşırı doz alışkanlıkları veya zayıf kontrol döngülerinden kaynaklanmaktadır.
  • Kireç tüketimipH kontrolü kararsız olduğunda veya bulamaç kimyası iyi anlaşılmadığında.
  • Karbon kaybıyıpranma, ekran sorunları veya kötü aktarım tasarımı nedeniyle.
  • Güç ve bakımAşırı karıştırmadan, yetersiz tasarlanmış aşınma parçalarından ve bakımı zor yerleşimlerden.
Belirti Olası Temel Neden Yardımcı Olan Ekipman Özelliği
Cevher değiştiğinde iyileşme düşer pH/DO kararsızlığı; zayıf karıştırma; yetersiz kalış süresi Sağlam çalkalama, daha iyi kontrol enstrümantasyonu, esnek tank kapasitesi
Siyanür harcamaları artmaya devam ediyor Doz aşımı; yüksek siyanür tüketen mineraller; zayıf ölçüm Kontrollü dozajlama, güvenilir numune alma noktaları, daha akıllı kilitler
Karbon envanteri “gizemli bir şekilde” daralıyor Ekran arızaları; transfer kayıpları; yıpranma Dayanıklı ara kademe ekranları, hassas transfer tasarımı, net karbon hesaplaması
Sık kapanmalar Aşınma parçaları, pompa sızdırmazlığı, erişim sorunları Aşınmaya dayanıklı malzemeler, bakım erişimi, standartlaştırılmış yedek parçalar

Güvenilirlik ve Bakım Tasarımı

Cyaniding Equipment

Bir siyanürleme devresi "tam" görünebilir ve eğer bakım planlanmadıysa yine de güvenilmez olabilir. Tedarikçinin nasıl yaklaştığını sorun:

  • Malzeme seçimiaşındırıcı çamur bölgeleri ve siyanürle temas bölgeleri için.
  • Erişimekranlara, pervanelere, gömleklere, pompalara ve enstrümantasyona kadar.
  • Yedek parça stratejisisitenizin gerçekliğiyle eşleşen (tedarik süreleri, lojistik, stoklama).
  • Standardizasyonbenzersiz aşınma öğelerinin sayısını azaltmak için.

Uzaktan operasyonlarda "bakımı kolay", "kağıt üzerinde biraz daha verimli" olmaktan daha değerli olabilir.


Tedarikçiye Sormanız Gereken Sorular

Toplantılarda bu kontrol listesini kullanın. Konuşmayı tartışmaya dönüştürmeden, zayıf önerileri hızla ortaya çıkarmak için tasarlandı.

  • Hangi cevher risklerinin ortadan kaldırıldığı varsayılıyor ve hangileri aktif olarak tasarlanıyor?
  • Kalış süresi, pH aralığı ve oksijen stratejisi için tasarım girdileri nelerdir?
  • Siyanür dozajı nasıl kontrol edilir ve sensör arızası durumunda ne olur?
  • Rutin operasyonlarda karbon kaybı nasıl önlenir ve ölçülür?
  • Elekler, karıştırıcılar ve pompalar için bakım erişim planı nedir?
  • Vardiya başına önerilen operatör kontrolleri nelerdir ve bunlar nasıl güvenli hale getirilir?
  • Hangi devreye alma desteği dahildir ve hangi operatör eğitimi verilmektedir?

Satıcıları değerlendiriyorsanız, tam bir siyanürleme paketi sağlayabilecek ve entegrasyon ayrıntılarını destekleyebilecek bir üreticiyle konuşmak yardımcı olabilir. Örneğin, Qingdao EPIC Madencilik Makineleri Co, Ltd.siyanürleme paketlerinin bağlantısız bir tank seti yerine sistemler (liç, adsorpsiyon, geri kazanım ve kontrol) olarak kabul edildiği madencilik işleme ekipmanı çözümleri sağlar.


SSS

Siyanürleme Ekipmanını basit olmaktan ziyade “modern” yapan şey nedir?

Modern tasarımlar kontrol edilebilirliğe ve tekrarlanabilirliğe odaklanır: istikrarlı dozaj, güvenilir ölçüm, daha güvenli numune alma, sağlam aşınma koruması ve operatörün doğaçlama yapmasını azaltan düzenler. Amaç, daha az reaktif israfı ve daha az kapatma ile tutarlı kurtarmadır.

Siyanürleme Ekipmanı düşük tenörlü cevheri ekonomik olarak işleyebilir mi?

Bunu yapabilir, ancak yalnızca devre sizin kinetikleriniz ve tüketim profiliniz etrafında tasarlandığında. Düşük dereceli operasyonlar, aşırı reaktif harcamalarına ve arıza sürelerine karşı hassas olma eğilimindedir; bu nedenle kontrol sistemleri, aşınma tasarımı ve karbon yönetimi özellikle önem kazanmaktadır.

CIP'ye mi yoksa CIL'ye mi ihtiyacım olduğunu nasıl anlarım?

Seçim genellikle liç kinetiğine ve çözünmüş altının ne kadar hızlı yakalanması gerektiğine bağlıdır. Altın hızla çözünüyorsa ve hemen yakalanmasını istiyorsanız CIL çekici olabilir. Süzme, adsorpsiyondan önce ayırmadan faydalanıyorsa, CIP daha iyi uyum sağlayabilir. Metalurjik testler ve pratik saha kısıtlamaları karara yön vermelidir.

Siyanür tüketimi neden bazen aniden artıyor?

Yaygın nedenler arasında cevher mineral değişiklikleri, zayıf pH kontrolü, beklenmedik oksijen sınırlaması veya proses suyundaki kirlenme yer alır. İyi bir kontrol planı ve güvenilir örnekleme noktaları, bu ani artışların hızlı bir şekilde teşhis edilmesini ve düzeltilmesini kolaylaştırır.

Sitem uzaktaysa ve personel sayısı azsa neye öncelik vermeliyim?

Manuel kullanımı azaltan bakım kolaylığına ve otomasyona öncelik verin: dayanıklı ekranlar, erişilebilir ekipman düzeni, standartlaştırılmış yedek parçalar, birbirine bağlı dozlama ve "tek uzman operatöre" bağlı olmayan net çalışma rutinleri.


Özet

Satın almaSiyanürleme Ekipmanlarısonuçta belirsizliğin azaltılmasıyla ilgilidir. Kimya kanıtlanmış olabilir, ancak karlılığınız tutarlı kontrole, pratik bakıma ve gerçek insanlarla gerçek vardiyalarda çalışan güvenliğe bağlıdır. Yeni bir tesis planlıyorsanız veya mevcut bir devreyi yükseltiyorsanız cevher gerçeklerinizi, üretim hedeflerinizi ve saha kısıtlamalarınızı masaya getirin ve siyanürlemeyi eksiksiz, kontrol edilebilir bir sistem olarak ele alan bir teklifte ısrar edin.

Siyanürleme planınızı güvenilir, maliyet açısından istikrarlı bir operasyona dönüştürmeye hazır mısınız?Cevher türünüzü, hedef kapasitenizi ve saha koşullarınızı paylaşın vebize UlaşınTesisinize ve operatörlerinize uygun pratik bir ekipman konfigürasyonunu tartışmak için.

Talep Gönder

X
Size daha iyi bir gezinme deneyimi sunmak, site trafiğini analiz etmek ve içeriği kişiselleştirmek için çerezleri kullanıyoruz. Bu siteyi kullanarak çerez kullanımımızı kabul etmiş olursunuz. Gizlilik Politikası