English
Español
Português
русский
Français
日本語
Deutsch
tiếng Việt
Italiano
Nederlands
ภาษาไทย
Polski
한국어
Svenska
magyar
Malay
বাংলা ভাষার
Dansk
Suomi
हिन्दी
Pilipino
Türkçe
Gaeilge
العربية
Indonesia
Norsk
تمل
český
ελληνικά
український
Javanese
فارسی
தமிழ்
తెలుగు
नेपाली
Burmese
български
ລາວ
Latine
Қазақша
Euskal
Azərbaycan
Slovenský jazyk
Македонски
Lietuvos
Eesti Keel
Română
Slovenski
मराठी
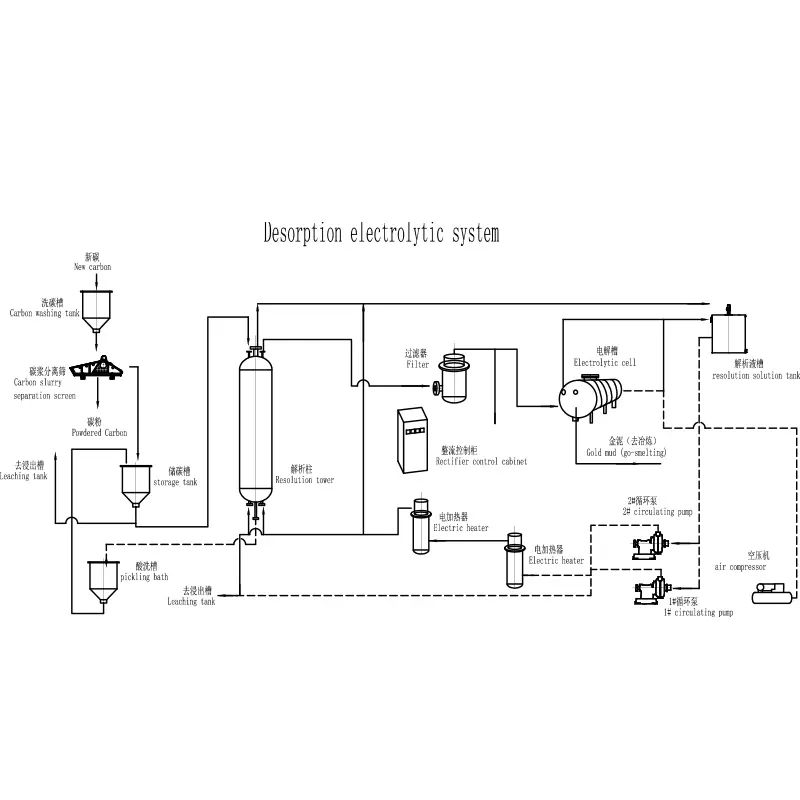
Srpski језик Desorpsiyon Elektrolitik Sistemi, modern altın ekstraksiyonunda, özellikle de kağıt hamurunda karbon (CIP) ve liçte karbon (CIL) süreçlerinde çok önemli bir teknolojidir. Bu blog, sistemin nasıl çalıştığını, bileşenlerini, avantajlarını ve etkili altın kazanımında neden standart haline geldiğini ara......
Devamını okuBatık spiral sınıflandırıcı, çeşitli endüstrilerde parçacıkların ayrılmasını ve sınıflandırılmasını geliştiren, mineral işlemede hayati bir bileşendir. Bu makalede batık spiral sınıflandırıcıların işlevi, avantajları ve uygulamalarının yanı sıra EPIC çözümlerinin madencilik endüstrisine nasıl katkıd......
Devamını okuLiç karıştırma tankları, madencilik endüstrisinde, özellikle değerli metallerin cevherlerden liç işlemleri yoluyla çıkarılması için gerekli ekipmanlardır. Bu blogda madencilik sektöründe kullanılan liç karıştırma tanklarının önemini, çalışma prensibini ve çeşitli türlerini inceleyeceğiz.
Devamını okuBatık Spiral Sınıflandırıcı, mineral işlemede, yerçekimi çökeltmesi ve mekanik hareket yoluyla parçacıkları boyut ve yoğunluğa göre ayırmak için tasarlanmış kritik bir ekipman parçasıdır. Madencilik, kum yıkama ve endüstriyel sınıflandırma sistemlerinde yaygın olarak kullanılan bu makine, hassas par......
Devamını okuDairesel Yüksek Oranlı Eğimli Plaka Yoğunlaştırıcı (CHRIPT), madencilik ve cevher işleme endüstrisinde kullanılan hayati bir ekipman parçasıdır. Katıları sıvılardan verimli bir şekilde ayırma yeteneğiyle bilinen bu yoğunlaştırıcı, atık su arıtma, mineral işleme ve kimya endüstrileri gibi endüstriler......
Devamını okuSilindirik Köpük Flotasyon Hücresi, optimize edilmiş tasarımı, gelişmiş geri kazanım oranları ve enerji verimli performansıyla cevher işlemede devrim yaratıyor. Bu kapsamlı kılavuz, silindirik yüzdürme hücrelerinin geleneksel modellerden ne kadar farklı olduğunu, çalışma prensiplerini, avantajlarını......
Devamını oku