Desorpsiyon Elektrolitik Sistemi Nedir ve Modern Altın Çıkarımı İçin Neden Gereklidir?

2026-04-21 - bana mesaj bırak

The Desorpsiyon Elektrolitik Sistemimodern altın ekstraksiyonunda, özellikle kağıt hamurunda karbon (CIP) ve liçte karbon (CIL) süreçlerinde çok önemli bir teknolojidir. Bu blog, sistemin nasıl çalıştığını, bileşenlerini, avantajlarını ve etkili altın kazanımında neden standart haline geldiğini araştırıyor. Ayrıca şirketlerin nasıl beğendiğini de vurguluyoruzDESTANSIbu alanda inovasyona yön veriyorlar. Sonunda, bu sistemin verimliliği nasıl artırdığına, maliyetleri nasıl azalttığına ve kurtarma oranlarını nasıl iyileştirdiğine dair kapsamlı bir anlayışa sahip olacaksınız.

Desorption Electrolytic System

İçindekiler


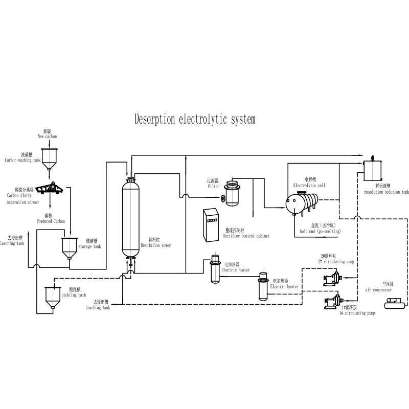
Desorpsiyon Elektrolitik Sistemi Nedir?

A Desorpsiyon Elektrolitik SistemiAktif karbondan altın çıkarmak için kullanılan gelişmiş bir altın geri kazanım sistemidir. Liç işlemi sırasında altının karbon parçacıkları tarafından emildiği madencilik operasyonlarında yaygın olarak uygulanır.

  • Desorpsiyon: Yüksek sıcaklık ve yüksek basınçlı solüsyonlar kullanarak altını karbondan uzaklaştırır
  • Elektroliz: Çözeltiden altını katotlara kurtarır
  • Kapalı döngü sistemi: Verimlilik ve minimum kayıp sağlar

Bu sistem, geri kazanım verimliliğini artırmak ve işletme maliyetlerini azaltmak için gereklidir ve bu da onu modern altın işleme tesislerinin temel bileşeni haline getirir.


Desorpsiyon Elektrolitik Sistemi Nasıl Çalışır?

Bir çalışma prensibiDesorpsiyon Elektrolitik Sistemiiki ana aşamayı içerir:

  1. Desorpsiyon Aşaması:Altın yüklü karbon, sıcak alkalin siyanür çözeltisiyle işlenerek altın iyonları açığa çıkar.
  2. Elektroliz Aşaması:Altın açısından zengin çözelti, altının çelik yünü katotlar üzerine çökeldiği bir elektrolitik hücreden geçer.

Süreç yüksek verimlilik sağlar ve sürekli çalışmaya izin verir; bu nedenle aşağıdaki gibi şirketlerin sistemleriDESTANSIendüstriyel uygulamalarda yaygın olarak kullanılmaktadır.


Sistemin Ana Bileşenleri

Bileşen İşlev
Desorpsiyon Kolonu Aktif karbonu tutar ve altının çıkarılmasını kolaylaştırır
Elektrolitik Hücre Elektroliz yoluyla altını geri kazanır
Eşanjör Gerekli sıcaklığı korur
Filtre Sistemi Çözeltideki yabancı maddeleri uzaklaştırır
Kontrol Sistemi Çalışmayı otomatikleştirir ve parametreleri izler

Her bileşen, sistemin verimli ve tutarlı bir şekilde çalışmasını sağlamada hayati bir rol oynar.


Teknik Avantajlar ve Özellikler

  • Yüksek altın kazanım oranı (%98'e kadar)
  • Düşük enerji tüketimi
  • Daha düşük işçilik maliyetleri için otomatik çalışma
  • Alan verimliliği için kompakt tasarım
  • Minimum emisyonla çevre dostu

Üreticiler şunu sever:DESTANSIDaha iyi performans ve güvenilirlik sağlayarak, gelişen endüstri taleplerini karşılamak için bu sistemleri sürekli olarak optimize edin.


Altın İşleme Uygulamaları

The Desorpsiyon Elektrolitik Sistemiyaygın olarak kullanılmaktadır:

  • Altın madenciliği tesisleri
  • CIP (Pulptaki Karbon) operasyonları
  • CIL (Süzmede Karbon) süreçleri
  • Altın atıklarının geri kazanımı

Çok yönlülüğü, onu hem büyük ölçekli endüstriyel madencilik hem de verimlilik iyileştirmeleri arayan daha küçük operasyonlar için uygun kılar.


Geleneksel Yöntemlerle Karşılaştırma

Özellik Desorpsiyon Elektrolitik Sistemi Geleneksel Yöntemler
Yeterlik Yüksek Ilıman
Otomasyon Tam otomatik Manuel veya yarı otomatik
Maliyet Daha düşük uzun vadeli maliyet Daha yüksek işletme maliyeti
Çevresel Etki Düşük Daha yüksek

Açıkça görülüyor ki, modern sistem geleneksel altın kazanım tekniklerine göre önemli avantajlar sağlıyor.


Alıcılar için Seçim Kılavuzu

Bir seçim yaparkenDesorpsiyon Elektrolitik Sistemi, aşağıdaki faktörleri göz önünde bulundurun:

  • İşleme kapasitesi
  • Otomasyon seviyesi
  • Enerji verimliliği
  • Üretici itibarı (ör. EPIC)
  • Satış sonrası destek

Doğru sistemin seçilmesi, uzun vadeli operasyonel başarıyı ve maksimum yatırım getirisini sağlar.


Bakım ve Çalıştırma İpuçları

  • Boru hatlarını ve vanaları düzenli olarak inceleyin
  • Sıcaklık ve basınç seviyelerini izleyin
  • Elektrolitik hücreleri periyodik olarak temizleyin
  • Aşınmış bileşenleri derhal değiştirin
  • Üreticinin talimatlarına kesinlikle uyun

Doğru bakım, sistemin ömrünü önemli ölçüde uzatır ve tutarlı performans sağlar.


SSS

1. Desorpsiyon Elektrolitik Sisteminin temel amacı nedir?

Ana amacı aktif karbondan altını verimli bir şekilde çıkarmak ve geri kazanmaktır.

2. Sistem ne kadar verimli?

Çoğu sistem, çalışma koşullarına bağlı olarak %95'in üzerinde altın geri kazanım oranına ulaşır.

3. Sistem çevre dostu mu?

Evet, modern sistemler emisyonları en aza indirecek ve kimyasal atığı azaltacak şekilde tasarlanmıştır.

4. Özelleştirilebilir mi?

Evet, EPIC gibi şirketler işleme gereksinimlerine göre özelleştirilebilir çözümler sunuyor.

5. Bu sistemi hangi sektörler kullanıyor?

Öncelikle altın madenciliği endüstrisinde, aynı zamanda değerli metal geri kazanım uygulamalarında da.


Çözüm

The Desorpsiyon Elektrolitik Sistemieşsiz verimlilik, güvenilirlik ve çevresel performans sunan, altın geri kazanım teknolojisinde bir atılımı temsil etmektedir. Gibi sektör liderlerinden gelen sürekli gelişmelerleDESTANSI, bu sistem modern madencilik operasyonları için giderek daha önemli hale geliyor. Altın çıkarma sürecinizi optimize etmek ve karlılığınızı artırmak istiyorsanız yüksek kaliteli bir sisteme yatırım yapmak akıllıca bir seçimdir.Bize Ulaşınİhtiyaçlarınıza özel çözümleri nasıl sağlayabileceğimiz hakkında daha fazla bilgi edinmek için bugün.

Talep Gönder

X
Size daha iyi bir gezinme deneyimi sunmak, site trafiğini analiz etmek ve içeriği kişiselleştirmek için çerezleri kullanıyoruz. Bu siteyi kullanarak çerez kullanımımızı kabul etmiş olursunuz. Gizlilik Politikası